Удалённая работа | Работа фрилансера Юрий Zp [Studentzp] | Индикатор
-   -
 

Войти на сайт

Забыли пароль? | Регистрация

- Проекты     Фрилансеры     Блоги     Статьи     Сервисы     Инфо-центр     Поиск -

Фрилансер

Юрий Zp Юрий Zp
3D Графика

Логин: Studentzp
Активность: 01.07.2016 в 07:11 по мск
Сейчас на сайте: Оффлайн нет
Написать личное сообщение Написать личное сообщение
Добавить в команду Добавить в команду
Подать жалобу Подать жалобу


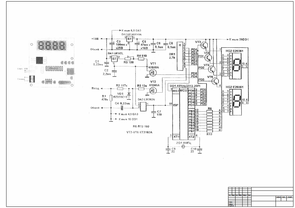
Индикатор Категория: Векторная графика

Индикатор

 
Описание:
AutoCAD, КОМПАС, SolidWorks, T-Flex, Visio, P-CAD

 
 
Предыдущая работа: Колесо зубчатое Следующая работа: Змена плоскостей проекций

Переход между работами данного фрилансера возможен также с помощью стрелок влево и вправо при зажатой клавише Ctrl.
 
-   -
© 2006-2026 Free-lancers.net
Фрилансеры. Удалённая работа.
В ожидании чуда - 26.06.2026 в 14:04
admin@free-lancers.net
     

Rambler's Top100
О проекте | Обратная связь