Удалённая работа | Работа фрилансера Yana Yana [TMZ123] | ЧЕРТЕЖ А1
-   -
 

Войти на сайт

Забыли пароль? | Регистрация

- Проекты     Фрилансеры     Блоги     Статьи     Сервисы     Инфо-центр     Поиск -

Фрилансер

Yana Yana Yana Yana
Копирайтинг

Логин: TMZ123
Активность: 26.05.2011 в 17:55 по мск
Сейчас на сайте: Оффлайн нет
Написать личное сообщение Написать личное сообщение
Добавить в команду Добавить в команду
Подать жалобу Подать жалобу


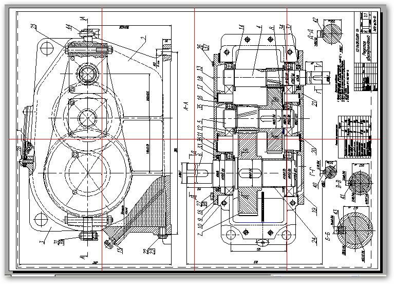
ЧЕРТЕЖ А1 Категория: Рисунки и иллюстрации

ЧЕРТЕЖ А1

 
Описание:
Чертеж А1 двуступенчатого редуктора, выполненный в AutoCAD 2004.

 
 
Предыдущая работа: книга "Детские развивающие игры" Следующая работа: Оформление документации в Word.

Переход между работами данного фрилансера возможен также с помощью стрелок влево и вправо при зажатой клавише Ctrl.
   
Комментарии к работе (0):

Комментарии к данной работе отсутствуют.

 
-   -
© 2006-2026 Free-lancers.net
Фрилансеры. Удалённая работа.
В ожидании чуда - 26.06.2026 в 14:04
admin@free-lancers.net
     

Rambler's Top100
О проекте | Обратная связь