Удалённая работа | Работа фрилансера Дубова Ольга [olyushka] | коттедж
-   -
 

Войти на сайт

Забыли пароль? | Регистрация

- Проекты     Фрилансеры     Блоги     Статьи     Сервисы     Инфо-центр     Поиск -

Фрилансер

Дубова Ольга Дубова Ольга
Промышленный дизайн

Логин: olyushka
Активность: 24.12.2010 в 17:19 по мск
Сейчас на сайте: Оффлайн нет
Написать личное сообщение Написать личное сообщение
Добавить в команду Добавить в команду
Подать жалобу Подать жалобу


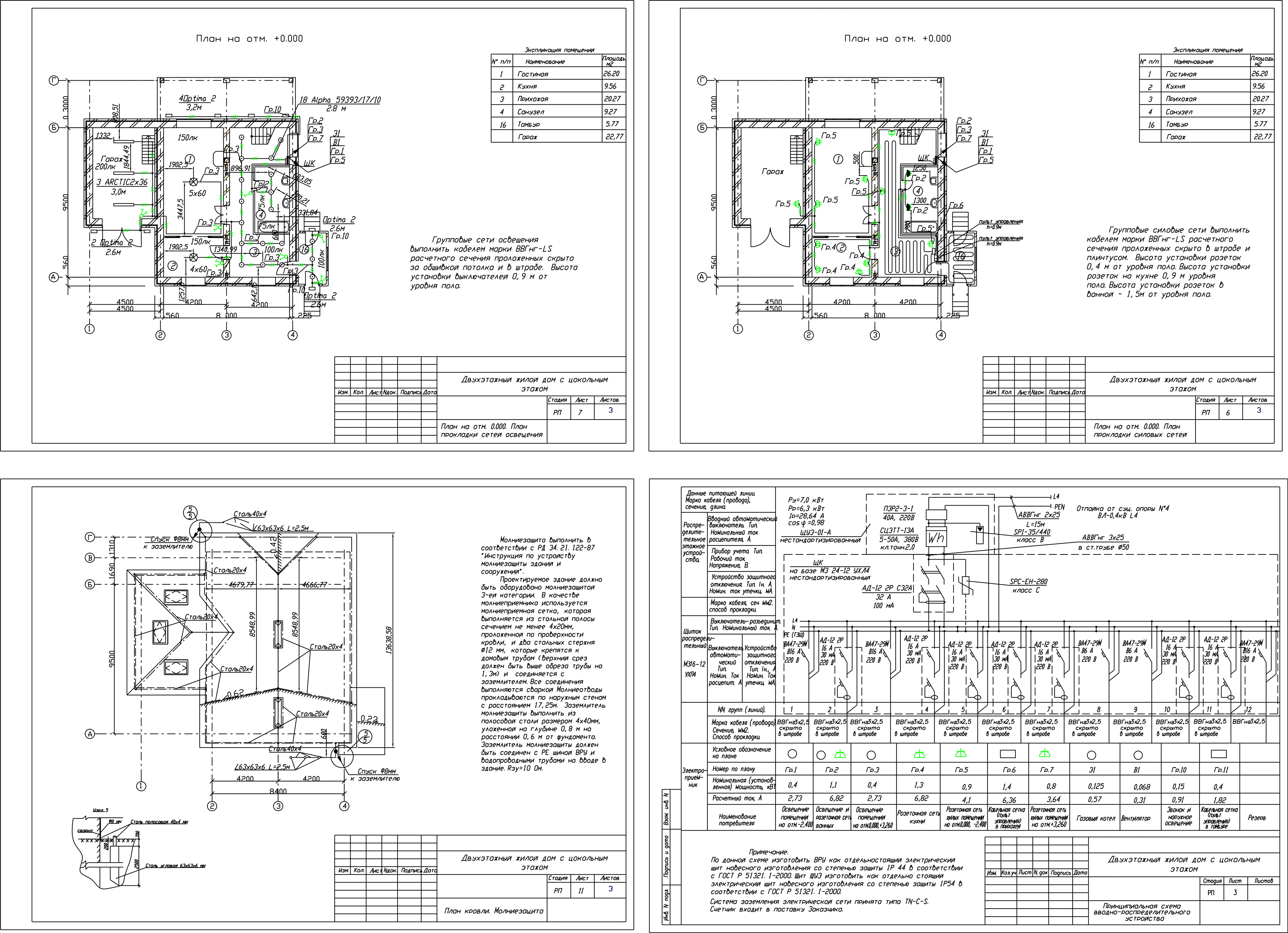
коттедж Категория: Промышленный дизайн

коттедж

 
Описание:
внутреннее электрооборудование и электроосвещение двухэтажного коттеджа

 
 
Предыдущая работа: магазин Следующая работа: кабели 0,4 и освещение

Переход между работами данного фрилансера возможен также с помощью стрелок влево и вправо при зажатой клавише Ctrl.
 
-   -
© 2006-2026 Free-lancers.net
Фрилансеры. Удалённая работа.
В ожидании чуда - 26.06.2026 в 14:04
admin@free-lancers.net
     

Rambler's Top100
О проекте | Обратная связь